HDL Code Generation from a Non-Restoring Square Root System Object
This example shows how to check, generate and verify HDL code from MATLAB® code that instantiates a non-restoring square root System object™.
MATLAB Design
The MATLAB code used in this example is a non-restoring square root engine suitable for implementation in an FPGA or ASIC. The engine uses a multiplier-free minimal area implementation based on [1] decision convolutional decoding, implemented as a System object. This example also shows a MATLAB test bench that tests the engine.
design_name = 'mlhdlc_sysobj_nonrestsqrt.m'; testbench_name = 'mlhdlc_sysobj_nonrestsqrt_tb.m'; sysobj_name = 'mlhdlc_msysobj_nonrestsqrt.m';
Look at the MATLAB design.
type(design_name);
%%%%%%%%%%%%%%%%%%%%%%%%%%%%%%%%%%%%%%%%%%%%%%%%%%%%%%%%%%%%%%%%%%%%%%%%%%
% MATLAB design: Non-restoring Square Root
%
% Key Design pattern covered in this example:
% (1) Using a user-defined system object
% (2) Call the object only once per design iteration
%%%%%%%%%%%%%%%%%%%%%%%%%%%%%%%%%%%%%%%%%%%%%%%%%%%%%%%%%%%%%%%%%%%%%%%%%%
function [Q_o,Vld_o] = mlhdlc_sysobj_nonrestsqrt(D_i, Init_i)
% Copyright 2014-2015 The MathWorks, Inc.
persistent hSqrt;
if isempty(hSqrt)
hSqrt = mlhdlc_msysobj_nonrestsqrt();
end
[Q_o,Vld_o] = hSqrt(D_i,Init_i);
end
type(testbench_name);
% Nonrestoring Squareroot Testbench
% Copyright 2014-2015 The MathWorks, Inc.
% Generate some random data
rng('default'); % set the random number generator to a consistent state
nsamp = 100; %number of samples
nbits = 32; % fixed-point word length
nfrac = 31; % fixed-point fraction length
data_i = fi(rand(1,nsamp), numerictype(0,nbits,nfrac));
% clear any persistent variables in the HDL function
clear mlhdlc_sysobj_nonrestsqrt
% Determine the "golden" sqrt results
data_go = sqrt(data_i);
% Commands for the sqrt engine
LOAD_DATA = true;
CALC_DATA = false;
% Pre-allocate the result array
data_o = zeros(1,nsamp, 'like', data_go);
% Load in a sample, then iterate until the results are ready
cyc_cnt = 0;
for i = 1:nsamp
% Load the new sample into the sqrt engine
[~, vld] = mlhdlc_sysobj_nonrestsqrt(data_i(i),LOAD_DATA);
cyc_cnt = cyc_cnt + 1;
while(vld == false)
% Iterate until the result has been found
[data_o(i), vld] = mlhdlc_sysobj_nonrestsqrt(data_i(i),CALC_DATA);
cyc_cnt = cyc_cnt + 1;
end
end
% find the integer representation of the result data
idt = numerictype(0,ceil(nbits/2),0);
% find the error in terms of integer bits
ierr = abs(double(reinterpretcast(data_o,idt))-double(reinterpretcast(data_go,idt)));
% find the error in terms of real-world values
derr = abs(double(data_o)- double(data_go));
pct_err = 100*derr ./ double(data_go);
fprintf('Maximum Error: %d (%0.3f %%)\n', max(derr), max(pct_err));
fprintf('Maximum Error (as unsigned integer): %d\n', max(ierr));
fprintf('Number of cycles: %d ( %d per sample)\n', cyc_cnt, cyc_cnt / nsamp);
%EOF
Simulate the Design
Simulate the design with the testbench prior to code generation to make sure there are no runtime errors.
mlhdlc_sysobj_nonrestsqrt_tb
Maximum Error: 3.051758e-05 (0.028 %) Maximum Error (as unsigned integer): 1 Number of cycles: 2000 ( 20 per sample)
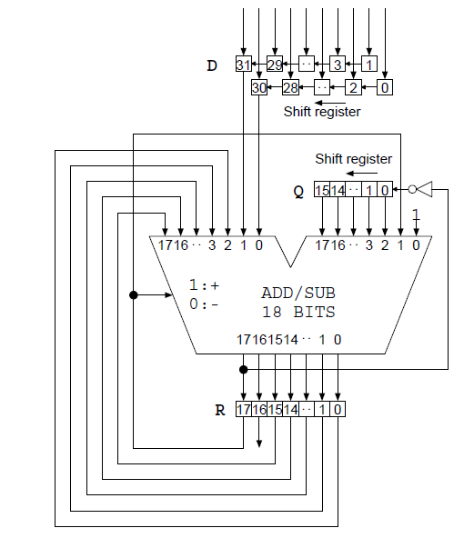
Hardware Implementation of the Non-Restoring Square Root Algorithm
This algorithm implements the square root operation in a minimal area by using a single adder/subtractor with no mux (compared to a restoring algorithm that requires a mux). The square root is calculated using a series of shifts and adds/subs, so uses no multipliers (compared to other implementations which require a multiplier).
The overall architecture of the algorithm is shown below, as described in [1].

This implementation of the algorithm uses a minimal area approach that requires multiple cycles to calculate each result. The overall calculation time can be approximated as [Input Word Length / 2], with a few cycles of overhead to load the incoming data.
Create a New HDL Coder Project
To create a new project, enter the following command:
coder -hdlcoder -new mlhdlc_nonrestsqrt
Next, add the file mlhdlc_sysobj_nonrestsqrt.m to the project as the MATLAB function and mlhdlc_sysobj_nonrestsqrt_tb.m as the MATLAB test bench.
For a more complete tutorial on creating and populating MATLAB HDL Coder projects, see Generate HDL Code from MATLAB Algorithms.
Skip Fixed-Point Conversion
As the design is already in fixed-point, we do not need to perform automatic conversion.
Launch the HDL Advisor and choose Keep original types on the option Fixed-point conversion.

Run HDL Code Generation
Launch the Workflow Advisor. In the Workflow Advisor, right-click the Code Generation step and choose the option Run to selected task to run all the steps from the beginning through HDL code generation.
Examine the generated HDL code by clicking the links in the log window.
Supported System objects
For a list of System objects supported for HDL code generation, see Predefined System Objects Supported for HDL Code Generation.
References
[1] Li, Y. and Chu, W. (1996) "A New Non-Restoring Square Root Algorithm and Its VLSI Implementations". IEEE International Conference on Computer Design: VLSI in Computers and Processors, ICCD '96 Austin, Texas USA (7-9 October, 1996), pp. 538-544. doi: 10.1109/ICCD.1996.563604