Desarrollo de oxígeno a partir de la atmósfera de Marte

Experimento en un róver de exploración marciana abre camino a futuros visitantes


Investigación con MATLAB y Simulink


Para el róver Perseverance de la NASA, el aterrizaje en Marte implicó el uso de un escudo térmico, un paracaídas y una “grúa aérea” propulsada por cohetes que bajó el róver con cables hasta la superficie. Una de las principales misiones del róver es buscar señales de vida previa en el planeta rojo. También tiene una misión menos conocida: probar maquinaria que podría sustentar la vida humana en el planeta.

Un viaje a Marte requeriría mucho oxígeno: en parte para que los astronautas respiren, pero la mayor parte en forma líquida para quemar combustible para el viaje de regreso. Para una tripulación de cuatro personas, se requerirían 25 toneladas métricas (55.000 libras). Enviar esa masa desde la Tierra costaría miles de millones de dólares e implicaría una logística complicada, por lo que la NASA planea usar recursos en situ del planeta. Extraer hielo de los polos para recuperar oxígeno es un proceso arduo. En cambio, se podría extraer de la atmósfera separando los átomos de oxígeno del dióxido de carbono, que constituye el 95% de la atmósfera.

Duración del vídeo 2:38

"Si algo se avería en Marte, no podremos enviar a nadie para arreglarlo. Creamos una serie de pasos para garantizar el éxito, y el gemelo digital, un modelo informático, es uno de esos pasos clave”.

En el interior de Perseverance se encuentra MOXIE, una caja dorada del tamaño de una batería de automóvil. Se trata del experimento de uso de recursos de oxígeno in situ de Marte El dispositivo desarrollado en el MIT no solo se identifica por su acrónimo; moxie significa espíritu valiente, una palabra originada de una bebida gaseosa inventada en Massachusetts. Es una versión en miniatura de lo que se usará en una misión humana y se ejecutará al menos 10 veces, poniendo a prueba los límites de sus capacidades. “Buscamos acelerar el camino que llevará a humanos a Marte”, dice el Dr. Michael Hecht, encargado del proyecto en MIT, “cuanto antes, con menos riesgos y menores costes”.

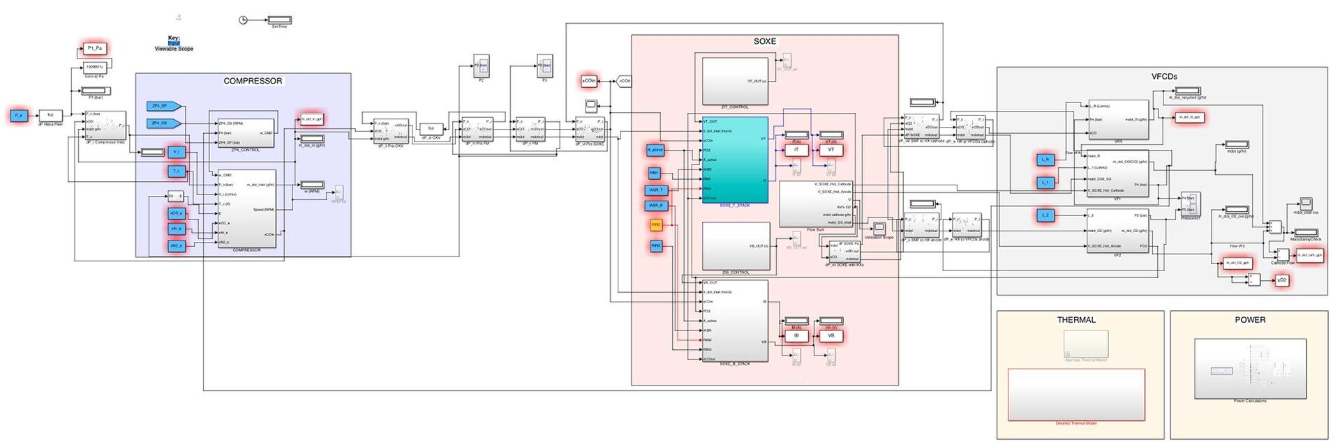
El dispositivo contiene dos partes principales: compresor de gas y electrolizador de óxido sólido (SOXE), que divide el CO2 utilizando calor y electricidad. Alrededor de estos componentes se encuentran tuberías, válvulas, filtros, sensores, una fuente de alimentación y una pequeña computadora. Un modelo de ingeniería “gemelo” de MOXIE en el laboratorio JPL de California se utiliza para realizar pruebas antes de que el Control de misiones envíe comandos a MOXIE. El otro gemelo existe únicamente en el software, que el equipo del MIT de Hecht ejecuta antes de probar los comandos en el modelo de ingeniería.

Gemelo de ingeniería de MOXIE dorado.

Gemelo de ingeniería casi idéntico a MOXIE que se utiliza para pruebas en el laboratorio JPL de la NASA, en Pasadena, California. (Imagen cortesía de NASA/JPL-Caltech)

Vista interior de MOXIE que muestra el motor y el compresor de bomba de espiral a la izquierda y el ensamblaje SOXE a la derecha.

Interior de MOXIE con ensamblaje SOXE. (Imagen cortesía de NASA/JPL-Caltech)

"Si algo se avería en Marte, no podremos enviar a nadie para arreglarlo", dice Eric Hinterman, estudiante de doctorado del departamento AeroAstro, el laboratorio de Jeffrey Hoffman, subdirector del proyecto y ex astronauta. Hinterman diseñó la simulación en software. "Creamos una serie de pasos para garantizar el éxito, y el gemelo digital, un modelo informático, es uno de esos pasos clave”.

Verificación doble

“MATLAB cambió mi vida profesional”, dice Hecht. “Era como una calculadora de bolsillo que permitía ocuparme de otras cosas en vez de cálculos y gráficas a mano”. En la década de 1980, si encontraba un problema, pasaba por la oficina de MathWorks en Natick, Massachusetts. Alrededor de 1990, Hecht comenzó a desarrollar componentes de MATLAB® por sí mismo. MATLAB fue una elección natural para el proyecto MOXIE.

“Tengo bastante experiencia creando cosas, y rara vez resultan tal como las diseñas. “Me sorprendió cuán preciso era el modelo en predecir eventos".

Piyush Khopkar, ingeniero de software de MathWorks que forma parte del personal técnico y de operaciones de MOXIE, dijo que la decisión de utilizar Simulink®, el entorno gráfico para modelado y simulación, era fácil. Simulink se conecta a MATLAB, que incluye una biblioteca de funciones matemáticas y específicas de la aplicación, por lo que no es necesario inventar soluciones nuevas.

Modelo de Simulink.

Modelo de Simulink para MOXIE.

Hinterman recibió el modelo de Simulink de MOXIE original y luego lo desmanteló y reescribió. Se encargó de modelar circuitos eléctricos, química, dinámica de fluidos, controles y sensores. “Me vi obligado a aprender mucho sobre electroquímica”, afirma, “y fue divertido”.

Modeló tres bucles de control. El primero mantiene una temperatura establecida en SOXE, teniendo en cuenta la cantidad de calor que genera el dispositivo (la electrólisis ocurre a unos 800 grados Celsius) y la cantidad que se escapa. El segundo controla el voltaje eléctrico para mantener la corriente constante. El tercero determina la presión interna ajustando la velocidad en la que giran las aspas del compresor. Los bucles también deben modelar la detección de fallos y detener una ejecución cuando ocurre un problema.

El modelo es “bastante complejo”, dice Hinterman. Encontrar errores no es fácil, aunque el software ayuda. “A veces se trata de un problema anidado que requiere bastante tiempo para depurarlo”. A veces el laboratorio JPL intercambiaba componentes y tenía que ajustar su modelo. “Por eso, seguir el ritmo del progreso del MOXIE físico fue probablemente uno de los mayores desafíos”.

Cuando la simulación no coincide con el modelo de ingeniería, “se debe a algo diferente cada vez”, afirma Hinterman. “Es como si la temperatura no estuviera perfectamente alineada. Y podía ser por una grieta en el aislamiento”.

Durante el desarrollo, cuando el modelo no coincidía con el real, Hinterman hablaba con el laboratorio JPL o analizaba los datos y cambiaba las fórmulas o las constantes. Ahora que el modelo ha demostrado su eficacia en la Tierra, debe ocuparse de cómo el viaje a Marte puede haber modificado al MOXIE real. El lanzamiento y reingreso podrían haber alterado algo, o la diferencia de gravedad, el polvo y el frío podrían provocar cambios inesperados. Dice que está preparado para añadir “factores de Marte” al modelo para imitar la realidad del planeta rojo.

Componentes interiores y exteriores de MOXIE, incluido el compresor, el panel de entrada, el panel de sensores y SOXE.

Vista ampliada de MOXIE. (Imagen cortesía de NASA/JPL-Caltech)

"Tengo bastante experiencia construyendo cosas, y rara vez resultan exactamente como las diseñas", dice Hinterman. Cuando comparé la simulación con el modelo de ingeniería, “me sorprendió cuán preciso era el modelo en predecir eventos”.

MATLAB proporciona datos a Simulink sobre el tamaño de las piezas de hardware, condiciones atmosféricas, constantes químicas, puntos de ajuste del sistema de control, como la temperatura SOXE deseada, y límites de seguridad. Luego, Simulink envía los resultados de la simulación (lecturas de los sensores) a MATLAB para su análisis. MATLAB también recibe datos del MOXIE real en Marte. Pero el MOXIE real y virtual no reportan cuánto oxígeno producen o la relación entre dióxido de carbono y monóxido de carbono. MATLAB calcula esos valores a partir de datos de sensores de temperatura, presión y voltaje. También estima valores más teóricos como los límites y puntos de riesgo de MOXIE, dice Hecht. “Hay miles de pequeñas cosas diferentes que se deben calcular”.

Imagen de la aplicación. El panel izquierdo controla los parámetros de Marte, MOXIE y SOXE, así como el tiempo de simulación. El panel derecho muestra la salida del modelo, y representa la temperatura celular y la tasa de producción de oxígeno.

Aplicación MOXIE Simulink Model, que automatiza la ejecución de simulaciones de modelos.

Para ayudar a los operadores de MOXIE a ejecutar la simulación e interpretar los datos, Khopkar diseñó interfaces gráficas (UI). Una tiene controles deslizantes virtuales que controlan parámetros de Marte, como condiciones atmosféricas, y parámetros de MOXIE, como corriente y temperatura. La otra muestra datos de simulación o del experimento real en Marte. Khopkar los construyó con un entorno de MATLAB denominado App Designer. Como parte del equipo de operaciones, también utiliza estas interfaces gráficas.

Aterrizaje perfecto

Poco después de que Perseverance aterrizara en Marte, MOXIE realizó una verificación del estado operativo. Realizará al menos 10 verificaciones de aproximadamente una hora, una vez cada dos meses. Serán cada vez más desafiantes, operando en diferentes condiciones atmosféricas y estaciones y en varios momentos del día, para luego intentar diferentes modos y condiciones operativas.

“[Los resultados] nos sorprendieron por lo perfecto que eran… Creamos un instrumento en la Tierra con un comportamiento que cumplía con todos los requisitos, llegó a Marte y produjo oxígeno”.

El 20 de abril de 2021, MOXIE operó por primera vez. MOXIE generó con éxito 6 gramos de oxígeno por hora, acercándose así al objetivo de 10 gramos por hora. “Ha sido una experiencia increíble. Estamos todos eufóricos. Ahora debemos trabajar duro, responder emails y hablar con los medios, pero preferiría analizar datos", dijo Hecht en ese momento. MOXIE utiliza algunas piezas de tecnología muy conocidas, pero gran parte es territorio nuevo. “No está basado en tecnologías ya establecidas que usualmente se utilizan en misiones a Marte”.

“Los resultados nos sorprendieron por lo perfecto que eran”, dice Hecht. “Las cosas no suelen funcionar tan bien de entrada. Creamos un instrumento en la Tierra con un comportamiento que cumplía con todos los requisitos, llegó a Marte y produjo oxígeno. Es increíble."

Róver Perseverance con una etiqueta que señala la ubicación de MOXIE.

Ubicación de MOXIE en el róver Perseverance. (Imagen cortesía de NASA/JPL-Caltech)

Agregó: “Se ejecutó el martes, pero habían pasado dos años desde la última vez que se ejecutó y producimos oxígeno. Cuando sacas tu bicicleta afuera después de dos años, esperas tener que aceitar la cadena, liberar un par de rodamientos atascados y reemplazar las llantas porque probablemente están viejas y agrietadas. Empacamos MOXIE en el róver, lo volteamos, lo sometimos a ciclos térmicos y lo lanzamos. Estuvo en el espacio y navegó durante meses. Lo lanzamos en Marte, con explosiones violentas a medida que se desplegaban los componentes. Y luego esperamos. Lo ejecutamos bajo esas condiciones, pero fue como si nada hubiera pasado”.

Mayores desafíos y mejores resultados

La tarea está lejos de estar terminada. “El mayor desafío es la falta de inteligencia del sistema de control”, dice Hecht. Le gustaría hacerlo más autónomo, quizás cargando nuevo software desde la Tierra. Esto requerirá primero pruebas en simulación.

Hinterman está trabajando en el sucesor de MOXIE, que la NASA desplegaría antes de enviar humanos a Marte. Pasará 14 meses generando toneladas de oxígeno. En cierto modo, esa máquina se enfrentará a desafíos mayores y algunos menores. Deberá funcionar por más tiempo y producir más oxígeno, pero operará a menor altitud con una computadora más inteligente, mejor filtrado, mejores sensores y capacidades de autolimpieza.

“El valor real es que [MATLAB] puede ver cómo todas estas diferentes variables interactúan entre sí... Puede ver todas esas interacciones, algo difícil de hacer para las personas”.

Éstos son nuevos elementos que Hinterman necesitará simular. Una gran diferencia: la futura máquina producirá oxígeno, lo convertirá en líquido, lo almacenará y lo trasladará, en vez de liberarlo a la atmósfera de Marte. “Pasé los últimos dos meses modelando específicamente el sistema de licuefacción”, dice.

Hinterman está utilizando algoritmos de optimización de MATLAB para ayudar a diseñar el diseño del hardware. Puede indicarle al software que minimice la masa y probará diferentes bombas, compresores o un conjunto de condiciones operativas. “El valor real es que se puede ver cómo todas estas diferentes variables interactúan entre sí”, afirma. “Si se elige una bomba criogénica en lugar de una bomba mecánica, tal vez sea mejor una temperatura más baja. Tal vez una temperatura más alta sea mejor por alguna razón, y puede ver todas esas interacciones, algo difícil de hacer para las personas”.

Por el momento, Hecht no está pensando demasiado en el próximo proyecto. "Estoy concentrado en el presente".


Investigación con MATLAB y Simulink


Más casos prácticos

Navegación de panel

TECNOLOGÍA ECOLÓGICA / SISTEMAS DE CONTROL

Contención de la energía solar

Fusión nuclear para lograr la independencia del carbono

Navegación de panel

SECTOR AEROESPACIAL

Primer cohete diseñado por estudiantes cruza la línea Kármán

Estudiantes adquieren habilidades profesionales mientras apuntan a las estrellas

Navegación de panel

ROBÓTICA / SISTEMAS AUTÓNOMOS

Confianza en la habilidad de robots para transitar entornos desconocidos

Nuevo algoritmo optimiza la percepción robótica